1 / 8Paintbot from drylin N guides
Giá của phần cứng:
Construction
DIY
Maker
Weight
light
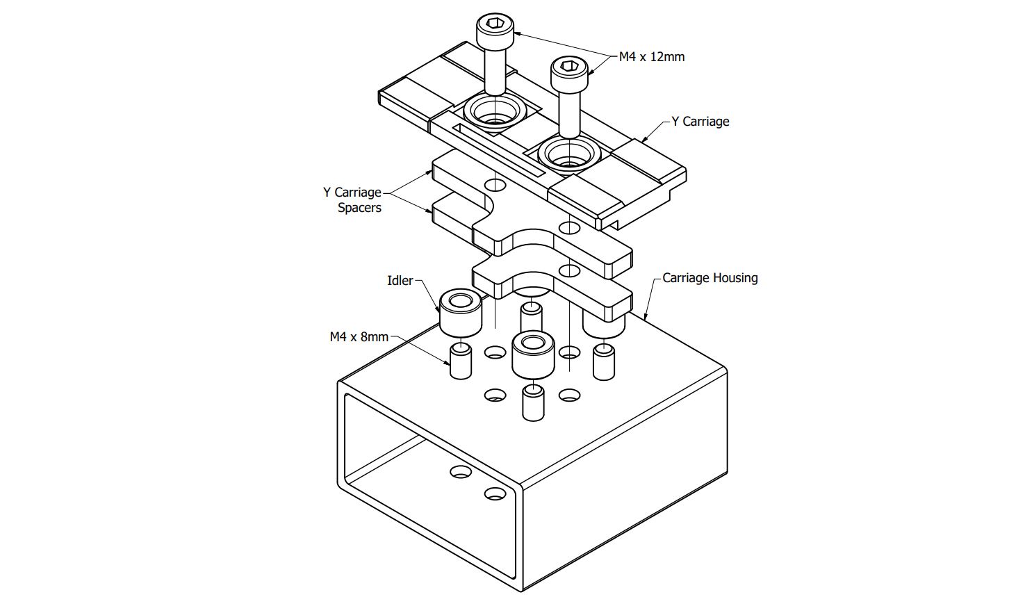
Paintbot is a highly developed robotic system designed for precise painting and coating work. It is based on the drylin N miniature guideways from igus, which are known for their maintenance-free and lubricant-free technology. These guides are ideal for use in Paintbot as they offer a flat design and high wear resistance, ensuring a long service life and reliable operation. The paintbot's structure includes not only the drylin N guides, but also stepper motors, which are responsible for motion control. Stepper motors are an excellent choice for such applications as they enable high precision positioning control. This is particularly important for tasks where precise line guidance and even color distribution are required. The combination of drylin N guides and stepper motors makes the Paintbot an efficient and accurate tool in automated painting technology. It can be used for a variety of applications, from artwork to industrial coatings, providing consistent performance with minimal maintenance.
1 Linh kiện










